
钻柱一般由方钻杆、钻杆段和下部钻具组合三大部分组成。随着顶驱技术的发展,方钻杆已经慢慢被淘汰。钻杆段包括钻杆和接头,有时也装有扩眼器。下部钻具组合主要是钻铤也可能安装稳定器、减震器、震击器、扩眼器及其他特殊工具。钻柱的具体组成随不同的目的、要求而不同。
1. 钻杆
钻杆是钻柱的基本组成部分,它是用无逢钢管制成(壁厚一般为9~11mm),其主要作用是传递扭矩和输送钻井液,并靠钻杆的逐渐加长使井眼不断加深。因此,钻杆在石油钻井中占有十分重要的地位。
(1) 钻杆结构与规范
钻杆由钻杆管体与钻杆接头两部分组成,钻杆管体接头的连接有两种方式:一种是用细丝扣连接,即管体两端都车有细公扣,与接头一端的母细扣相连接,称这种钻杆为有细扣钻杆;另一种是管体与接头用摩擦焊对焊在一起,称这种钻杆为对焊钻杆。有细扣钻杆目前已基本淘汰,我国现在生产或进口的钻杆全部为对焊钻杆(无细扣钻杆)。

△钻杆结构示意图
补充 | 知识
为了增强管体与接头的连接强度,管体两端加厚。常用的加厚形式有内加厚、外加厚、内外加厚三种。根据美国石油学会(API—American Petroleum Institute)的规定,钻杆按长度分为三类:
其中最常用的钻杆尺寸有88.9(3.5in),114.3(4in),127.0mm(5in)三种。

△钻杆加厚形式
(2)钻杆的钢级与强度
钻杆的钢级是指钻杆钢材的等级,它由钻杆钢材的最小屈服强度决定。API规定钻杆的钢级有D、E、95(X)、105(G)、135(S)级共五种,其中X、G、S级为高强度钻杆。钻杆的钢级越高,管材的屈服强度越大,钻杆的各种强度(抗拉、抗扭、抗外挤等)也就越大。在钻柱的强度设计中,推荐采用提高钢级的方法来提高钻柱的强度,而不采用增加壁厚的方法。

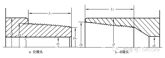
(3)钻杆接头及丝扣
钻杆接头是钻杆的组成部分,分公接头和母接头,连接在钻杆管体的两端。接头上车有丝扣(粗扣)用以连接各单根钻杆。在钻井过程中,接头处要经常拆卸,接头表面受到相当大的大钳咬合力的作用,所以钻杆接头壁厚较大,接头外径大于管体外径,并采用强度更高的合金钢。国产钻杆接头一般都采用35CrMo合金钢。
丝扣的连接必须满足三个条件,即尺寸相等,丝扣类型相同,公母扣相匹。不同尺寸钻杆的接头尺寸不同。同一尺寸钻杆的丝扣类型也不尽相同。各钻杆生产厂家的钻杆采用的接头类型也很难完全一致因此,为便于区分钻杆接头和工程应用,API对钻杆接头的类型作了统一的规定,形成了石油工业普遍采用的API钻杆接头。
API钻杆接头有新旧两种标准。旧API钻杆接头是对早期使用的有细扣钻杆提出来的,分为内平式(IF)、贯眼式(FH)和正规式(REG)三种类型。

△旧API标准钻杆

△接头丝扣尺寸符号
随着对焊钻杆的迅速发展,有细扣钻杆逐渐被对焊钻杆所取代,旧API钻杆接头由于规范繁多,使用起来很不方便,因此,美国石油学会又提出了一种新的NC型系列接头(有人称之为数字型接头),NC型接头以字母NC和两位数字表示,如NC50,NC26,NC31等。
NC(National Coarse Thread)意为(美国)国家标准粗牙螺纹,两位数字表示丝扣基面节圆直径的大小(取节圆直径的前两位数字)。例如NC26表示接头为NC型,基面丝扣节圆直径为2.668in,NC螺纹也为“V”形螺纹,具有0.065in平螺纹顶和0.038圆螺纹底,用V-0.038R表示扣型,可与V-0.065型螺纹连接。旧API标准中的全部内平(IF)及贯眼(FH)均为V-0.065型螺纹,故现已考虑将旧标准废除而统一采用)NC型接头。
NC型接头在石油工业中应用越来越普遍,但目前现场仍使用部分旧API标准接头(内平、贯眼、正规),NC型接头与旧API标准接头有相同的节圆直径、锥度、螺距和螺纹长度,可以互换使用。在钻柱中,除了钻杆接头外,还有各种配合接头(用来连接不同尺寸或不同扣型的管柱)、保护接头(保护管柱上经常拆卸处的丝扣)等。此外,方钻杆、钻铤、钻头及其他井下工具,也都靠丝扣连接(需要说明的是:上述各种接头及工具的丝扣类型都与钻杆接头的标准相一致。
2、钻铤
钻铤处在钻柱的最下部,是下部钻具组合的主要组成部分。其主要特点是壁厚大(一般为38~53mm,相当于钻杆壁厚的4~6倍)具有较大的重力和刚度。它在钻井过程中主要起到以下几方面的作用:

钻铤有许多不同的形状,如圆的、方的、三角形和螺旋形的。最常用的是圆形(平滑的)钻铤和螺旋形钻铤两种。螺旋形钻铤上有浅而宽的螺旋槽,可减少其与井壁的接触面积的40%~50%,而其重力只减少>7%~10%。接触面积少,可减少发生压差卡钻的可能性。钻铤的连接丝扣(公扣、母扣)是在钻铤两端管体上直接车制的,不另加接头。钻铤有许多种规格,API标准钻铤类型代号由两部分组成,第一部分为NC型螺纹代号,第二部分的数字(取外径的前两位数字乘以10)表示钻铤外径(英寸)中间用短线分开。
3、方钻杆
方钻杆位于钻柱的最上端,有四方形和六方形两种。钻进时,方钻杆与方补心、转盘补心配合,将地面转盘扭矩传递给钻杆,以带动钻头旋转。标准方钻杆全长12.19m,驱动部分长11.25m。为了适应钻柱配合的需要,方钻杆也有多种尺寸和接头类型。方钻杆的壁厚一般比钻杆大三倍左右,并用高强度合金钢制造,故具有较大的抗拉强度及抗扭强度,可以承受整个钻柱的重量和旋转钻柱及钻头所需要的扭矩。
方钻杆旋转时,上端始终处于转盘面以上、下部则处在转盘面以下。方钻杆上端至水龙头的连接部位的丝扣均为左旋丝扣(反扣)以防止方钻杆转动时卸扣。方钻杆下端至钻头的所有连接丝扣均为右旋转扣(正扣),在方钻杆带动钻柱旋转时,丝扣越上越紧。为减轻方钻杆下部接头丝扣(经常拆卸部位)的磨损,常在该部位装一保护接头。

△四方方钻杆的强度
4、稳定器(扶正器)
在钻铤柱的适当位置安装一定数量的稳定器,组成各种类型的下部钻具组合,可以满足钻直井时防止井斜的要求,钻定向井时可起到控制井眼轨迹的作用。此外,稳定器的使用还可以提高钻头工作的稳定性,从而延长使用寿命,这对金刚石钻头尤为重要。
稳定器的三种基本类型:刚性稳定器、不转动橡胶套稳定器和滚轮稳定器。

此外,在下部钻具组合中常装有减震器,用于吸收井下钻具的纵向震动和扭转震动。在深井、海上钻井、尤其是定向钻井中,时常在下部组合中安放随钻震击器,以便一旦下部组合或钻头被卡,即可操纵震击器,通过向上或向下的震击作用解卡。在下部组合或钻杆柱中还可装置随钻测量(MWD)工具,钻柱测试工具和打捞篮、扩眼器等特殊工具进行随钻测量、地层测试、打捞、扩眼等特殊作业。
本文来源于搜狐网站,文章版权归原作者及原出处所有,内容为个人观点,并不代表本站赞同其观点和对其真实性负责,本站只提供参考并不构成任何投资及应用建议。我们已经尽可能的对作者和来源进行了通告,如有异议请及时联系我们,我们将根据著作权人的要求,立即更正或者删除有关内容。
本文来源 网站,文章版权归原作者及原出处所有,内容为个人观点,并不代表本站赞同其观点和对其真实性负责,本站只提供参考并不构成任何投资及应用建议。我们已经尽可能的对作者和来源进行了通告,如有异议请及时联系我们,我们将根据著作权人的要求,立即更正或者删除有关内容。
本文内容为作者个人观点,OILUP仅提供信息发布平台